分類

CKZF-B 單向離合器(超越離合器)特性及應用:
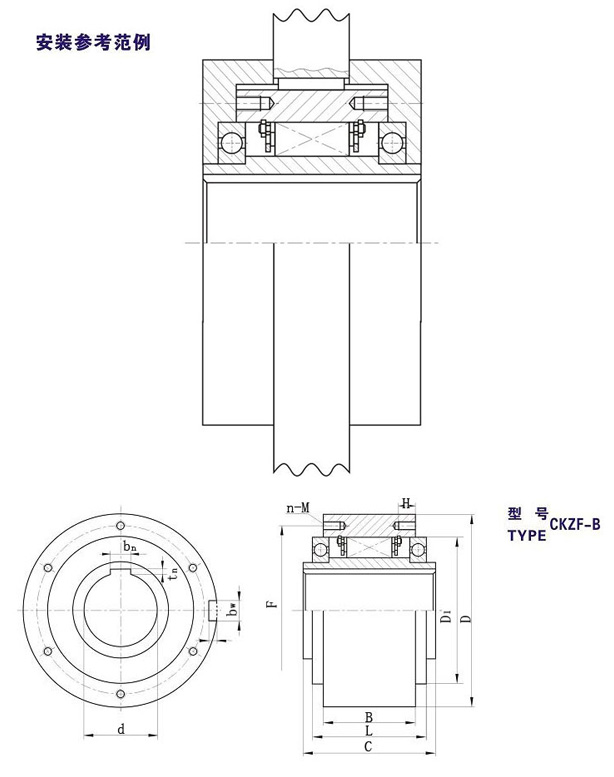
CKZF-B為有軸承非接觸楔塊式單向離合器。使用2只160系列軸承支撐。外環超越旋轉,僅有外環被設計具有單向功能。出廠時含有潤滑脂。
內外環有鍵槽,端面帶螺孔,可安裝于垂直或水平方位位置。
用于高速工況下防止逆轉或超運轉速度應用例。

型號 | 額定扭矩 | 超越極-限轉速 | 外形尺寸〔mm〕 | 重量 | |||||||||||
nmin | nmax | d(H7) | D(h7) | F | D1 | B | C | L | n-M | H | bw×tw | bn×tn | |||
CKZF-B30100 | 250 | 780 | 6000 | 30 | 100 | 87 | 75 | 51 | 68 | 60.5 | 6-M6 | 10 | 8×4.0 | 8×3.3 | 2.3 |
CKZF-B35110 | 300 | 740 | 6000 | 35 | 110 | 96 | 80 | 55 | 74 | 63 | 6-M6 | 12 | 10×5.0 | 10×3.3 | 3.2 |
CKZF-B40125 | 450 | 720 | 5000 | 40 | 125 | 108 | 90 | 63 | 86 | 73 | 6-M8 | 14 | 12×5.0 | 12×3.3 | 4.3 |
CKZF-B45130 | 510 | 665 | 4000 | 45 | 130 | 112 | 95 | 63 | 86 | 73 | 8-M8 | 14 | 14×5.5 | 14×3.8 | 5.0 |
CKZF-B50150 | 820 | 610 | 4000 | 50 | 150 | 132 | 110 | 73 | 94 | 86 | 8-M8 | 14 | 14×5.5 | 14×3.8 | 7.5 |
CKZF-B55160 | 976 | 600 | 3200 | 55 | 160 | 138 | 115 | 73 | 104 | 86 | 8-M10 | 16 | 16×6.0 | 16×4.3 | 9.0 |
CKZF-B60170 | 1300 | 490 | 3200 | 60 | 170 | 150 | 125 | 91 | 114 | 105 | 10-M10 | 16 | 18×7.0 | 18×4.4 | 12.7 |
CKZF-B70190 | 1600 | 480 | 2400 | 70 | 190 | 165 | 140 | 108 | 134 | 124 | 10-M10 | 16 | 20×7.5 | 20×4.9 | 14.5 |
CKZF-B80210 | 2500 | 450 | 2400 | 80 | 210 | 185 | 160 | 106 | 144 | 124 | 10-M10 | 16 | 22×9.0 | 22×5.4 | 19.0 |
CKZF-B90230 | 3300 | 420 | 2000 | 90 | 230 | 206 | 180 | 114 | 158 | 143 | 10-M12 | 20 | 22×9.0 | 22×5.4 | 29.5 |
CKZF-B100270 | 5800 | 420 | 2000 | 100 | 270 | 240 | 200 | 121 | 182 | 153 | 10-M16 | 24 | 28×10 | 28×6.4 | 42.5 |
CKZF-B130310 | 8500 | 415 | 2000 | 130 | 310 | 278 | 240 | 169 | 212 | 194 | 12-M16 | 24 | 32×11 | 32×7.4 | 70.0 |